Grossist Cyclone Plate Wet Scrubber

  • Cyclone Plate Wet Scrubber

Cyclone Plate Wet Scrubber

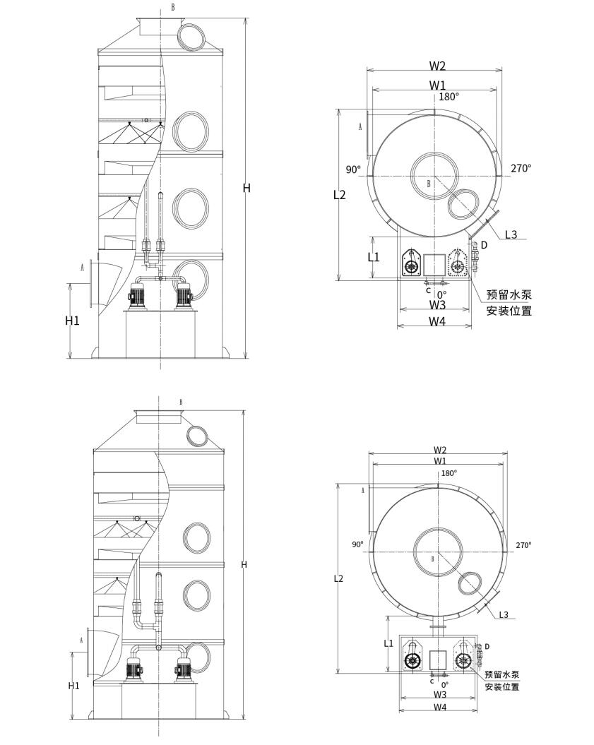
Cyklonskurtornet har typiskt en cylindrisk tornkropp utrustad med spiralformade baffelplattor. Under drift kommer rökgas in från botten av tornet tangentiellt och strömmar uppåt. Styrd av bladen på baffelplattorna, spiralerar gasen uppåt och finfördelar vätskan som strömmar nedför plattorna till fina droppar. Detta skapar en stor gas-vätskekontaktyta. Dropparna bärs av gasströmmen och roterar, vilket genererar centrifugalkraft som förbättrar gas-vätska-interaktionen. Så småningom kastas dropparna på tornets vägg, strömmar nedåt längs väggen till nästa baffelplatta och finfördelas på nytt av gasströmmen för ytterligare kontakt. Som beskrivits uppnår vätskan noggrann kontakt med gasen samtidigt som effektiv separation bibehålls – vilket minimerar infångning av dimma. Gas-vätskelastkapaciteten för detta system är mer än dubbelt så stor som för konventionella baffelplattor.

Tornets utmärkta kontaktförhållanden mellan gas och vätska säkerställer effektiv absorption av rökgaser av alkaliska vätskor. Dessutom visar cyklonskurtornet överlägsen dammavlägsnande prestanda. Dammpartiklar i gasen fångas upp av vattendimma på spiralbaffelplattorna, och partiklar och droppar som kastas på tornets vägg med centrifugalkraft avlägsnas också effektivt. Som ett resultat bär gasen som lämnar tornet minimalt med damm och droppar. Den tomma tornets vindhastighet varierar mellan 2,2–2,7 m/s.

Virvelspraytornstruktur:
Som visas i figuren: Det kompletta sprayskursystemet innehåller följande komponenter:

● Tornkropp gjord av PP-skivor (polypropen);

● Ram konstruerad med PP spiralbafflar;

● Sprayanslutningsrör av UPVC (oplastad polyvinylklorid);

● PP spiralmunstycken;

● Korrosionsbeständig PP-cirkulationspump;

● Avfuktningsskikt (nät/cyklon/baffeltyp);

● Manuella och automatiska vattenpåfyllningsanordningar;

● Bräddavlopps- och avloppsrör;

● Inspektionsfönster.

Valparametrar för cyklonplåtstorn:
För att säkerställa transportbekvämlighet och säkerhet är PP-cyklonskurtorn indelade i två specifikationskategorier:

Typ 1: Integrerad vattentank cyklon scrubber (Tornet diameter: Φ1000mm-Φ2200mm)

Typ 2: Delad vattentank cyklonskurmaskin (Tornets diameter: Φ2500mm-Φ3500mm)


Cyklonskurtornsmodeller som motsvarar luftflödeskapaciteten:

Modell Luftvolymintervall Enhetens storlek Vattenpumpskraft Antal virvelblad Vindhastighetsområde Utrustningsmaterial
XL-600 0-2800 m³/h Φ600×2950 0,75kw 2 0-2,76m/s PP/304/Q235/FRP
XL-800 3800-5000m³/h Φ800×3300 0,75kw 2 2,11-2,77m/s PP/304/Q235/FRP
XL-1000 6000-7500m³/h Φ1000×4380 1,5kw 2 2,13-2,66m/s PP/304/Q235/FRP
XL-1200 8500-11000m³/h Φ1200×4430 2,2kw 2 2,09-2,71 m/s PP/304/Q235/FRP
XL-1500 14 000-17 000 m³/h Φ1500×5000 3,75kw 2 2,2-2,68m/s PP/304/Q235/FRP
XL-1800 20 000-25 000 m³/h Φ1800×5650 5,5kw 2 2,19-2,73m/s PP/304/Q235/FRP
XL-2000 25001-30000m³/h Φ2000×6200 5,5kw 2 2,21-2,66 m/s PP/304/Q235/FRP
XL-2200 30 001-37 000 m³/h Φ2200×6700 7,5kw 2 2,19-2,71 m/s PP/304/Q235/FRP
XL-2500 40 000-47 000 m³/h Φ2500×6850 7,5kw 2 2,27-2,66 m/s PP/304/Q235/FRP
XL-2800 49 000-58 000 m³/h Φ2800×7900 11kw 2 2,21-2,62 m/s PP/304/Q235/FRP
XL-3000 58 000-68 000 m³/h Φ3000×8000 11kw 2 2,28-2,67m/s PP/304/Q235/FRP
XL-3200 68 000-78 000 m³/h Φ3200×8000 15kw 2 2,35-2,7m/s PP/304/Q235/FRP
XL-3500 78 000-88 000 m³/h Φ3500×8000 15kw 2 2,25-2,54m/s PP/304/Q235/FRP

Obs: Icke-standardiserade mönster kan göras enligt kundens krav.

Urvalsdiagram:

Hangzhou Lvran Environmental Protection Group Co., Ltd.

  • 1000+

    Serviceenhetskunder

  • 2000+

    Nationella ingenjörsfall

Hangzhou Lvran Environmental Protection Group Co., Ltd. är en omfattande teknisk tjänsteleverantör och tillverkare av utrustning för avfallsgasbehandlingssystem, som integrerar FoU, tekniska tjänster, design, produktion, ingenjörsinstallation och service efter försäljning.

We are China Cyclone Plate Wet Scrubber Suppliers and Wholesale Cyclone Plate Wet Scrubber Exporter, Company. Gruppen är ett nationellt högteknologiskt företag, ett vetenskaps- och teknikföretag i Zhejiang-provinsen, ett regionalt FoU-center och en AAA-klassad kreditenhet. Den har över 30 bruksmodellpatent, många uppfinningspatent och upphovsrätter för programvara. Gruppen har långvariga tekniska FoU-samarbeten med inhemska universitet och institutioner, inklusive "Environmental Innovation R&D Center" etablerat med Anhui University of Science and Technology och "Plasma Energy and Environmental New Technology R&D Center" utvecklat tillsammans med Zhejiang Sci-Tech University. Koncernen har etablerat en egen FoU- och produktionsbas för djupgående tekniskt samarbete. Koncernen besitter kärnteknologi för VOC-gasbehandling, innehar en nivå 2 allmän entreprenadkvalifikation för byggande av kommunala offentliga arbeten, en säkerhetsproduktionslicens, en klass B specialdesignkvalifikation för miljöföroreningskontroll i Zhejiang-provinsen, oklassificerade kvalifikationer för arbetskraftstjänster och specialiserad entreprenad för speciella projekt. Koncernen är certifierad enligt ISO9001 för internationell kvalitet, ISO14001 för miljöledning och ISO45001 för hälsa och säkerhet på arbetsplatsen.

HEDER & CERTIFIKAT

Följande utmärkelser representerar vår briljans. Vi vinner kunder med högkvalitativa produkter och vinner mycket beröm från marknaden och alla samhällsskikt med bra tjänster.

  • En basenhet och reaktor med högt elektriskt fält av platttyp för att förhindra läckage längs ytan
  • En reaktionsanordning för att syntetisera metanol med användning av koldioxid och vatten och en metod för att syntetisera metanol med användning av koldioxid och vatten
  • Självrengörande elektrostatisk filter
  • En korrosionsbeständig högtrycksfläkt med vindriktningsjusteringsfunktion
  • En justerbar självrengörande fläkt med hög kapacitet
  • Kombinerat styrsystem för katalytisk förgasning av avgasförbehandling
  • Ångrening kontinuerligt elektrostatiskt fält avgasrening och behandlingssystem
  • Lågtemperatur plasma UV fotolys avgasreningsutrustning system
  • Varumärkesregistreringsbevis
Nyligen nyheter och evenemang
Dela med dig
Se fler nyheter