Grossist Kemisk skrubber

  • Kemisk skrubber

Kemisk skrubber

Den kemiska skrubben är ett avancerat skrubbfilter. Den använder en speciell struktur och en stor specifik yta av vanlig packning som massöverföring och uttorkningspackning. Samtidigt, enligt de olika luktorsakande komponenterna i lukten, används motsvarande syra, alkali och oxidationsmedel som absorberande tvättvätska för att avlägsna lukten i utrymmet och eliminera påverkan på den omgivande miljön.

Det luktande luftflödet transporteras genom luftkanalen och kommer in i tornet från tornets inlopp. Efter att ha kommit in i tornet passerar den genom packningsskiktet från botten till toppen och släpps slutligen ut från tornets övre rörledningsutlopp genom korrosionsfläkten. Den neutraliserande lösningen passerar genom vätskeseparatorn i toppen av tornet, sprutar jämnt in i packningsskiktet, rinner ner längs ytan av packningsskiktet tills den släpps ut från tornets botten genom rörledningen och cirkuleras av den korrosionsskyddande cirkulationspumpen. När koncentrationen av lösta ämnen i det stigande luftflödet blir lägre och lägre, uppnås reningsfunktionen när den når toppen av tornet, och den släpps ut eller fortsätter att renas genom nästa steg. Tvärtom blir koncentrationen av mediet i den fallande vätskan högre och högre, och det når processförhållandena när det når botten av tornet och släpps ut från tornet.

Fördelar med spraypackningstornet: Det har hög effektivitet, liten vätskehållningskapacitet, låg vikt och enkel användning, vilket gör att arbetare kan komma igång omedelbart. Fyllmedlet kan väljas enligt de arbetsförhållanden som kunden tillhandahåller. Det finns många typer, och korrosionsbeständiga kulringar används vanligtvis. Det bör dock noteras att fast suspenderat material kan täppa till fyllmedlet på grund av dess stora partikeldiameter, så det är i allmänhet inte lämpligt för behandling av fast material. Till exempel kan NH₃, HCl, H₂S, kväveoxider och organisk avfallsgas som genereras av fabriker behandlas effektivt med denna utrustning.

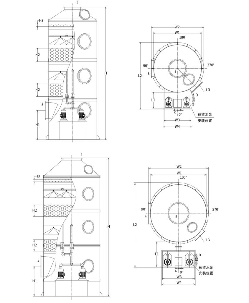
Kemisk skrubberstruktur:
Som visas i figuren: Det kompletta sprayskursystemet innehåller följande komponenter:

1. Tornkroppen gjord av PP-skivor (polypropen);

2. Packstödram gjord av PP gallerpaneler;

3. Sprayanslutningsrör av UPVC;

4. PP spiralmunstycken;

5. Packning med ihålig kula eller Pall-ring;

6. Korrosionsbeständig PP-cirkulationspump;

7. Avfuktare av nät;

8. Manuella och automatiska vattenpåfyllningsanordningar;

9. Bräddavlopps- och dräneringsrör;

10. Inspektionsfönster.

Val av kemisk skrubber:
Teknisk parametertabell för packad sprayskurmaskin

För att säkerställa transportbekvämlighet och säkerhet är PP-förpackade sprayscrubbers indelade i två typer:

Typ 1: Integrerad vattentankpackad sprayskrubber (torndiameter: Φ1000mm-Φ2200mm)

Typ 2: Sprayskrubber med delad vattentank (torndiameter: Φ2500mm-Φ3500mm)


Modelllspecifikationer som motsvarar luftflödeskapacitet:

Model Luftvolym Enhetens storlek Vattenpumpskraft Fyllningstjocklek Vindhastighet Utrustningsmaterial
LRTL-600 0-1500 m³/h Φ600x3000 0,75kw 500*2 1,48m/s PP/304/Q235/FRP
LRTL-800 1501-2500m³/h Φ800x3000 0,75kw 500*2 1,39 m/s PP/304/Q235/FRP
LRTL-1000 2501-4000m³/h Φ1000x5000 1,5kw 500*2 1,42 m/s PP/304/Q235/FRP
LRTL-1200 4001-6000 m³/h Φ1200x5000 2,2kw 500*2 1,48m/s PP/304/Q235/FRP
LRTL-1500 6001-9500m³/h Φ1500x5000 3,75kw 500*2 1,5 m/s PP/304/Q235/FRP
LRTL-1800 9501-14000m³/h Φ1800x5000 5,5kw 500*2 1,53 m/s PP/304/Q235/FRP
LRTL-2000 14001-17000m³/h Φ2000x6000 5,5kw 500*2 1,5 m/s PP/304/Q235/FRP
LRTL-2200 17 001-20 000 m³/h Φ2200x6000 7,5kw 500*2 1,46 m/s PP/304/Q235/FRP
LRTL-2500 20001-27000 m³/h Φ2500x6000 7,5kw 500*2 1,53 m/s PP/304/Q235/FRP
LRTL-2800 27 001-33 000 m³/h Φ2800x6000 15kw 500*2 1,49 m/s PP/304/Q235/FRP
LRTL-3000 33001-38000m³/h Φ3000x6800 15kw 500*2 1,49 m/s PP/304/Q235/FRP
LRTL-3200 38001-44000m³/h Φ3200x6800 15kw 500*2 1,52 m/s PP/304/Q235/FRP
LRTL-3500 44001-55000m³/h Φ3500x6800 15kw 500*2 1,5 m/s PP/304/Q235/FRP

Obs: Icke-standardiserade mönster kan anpassas efter kundens krav.

Urvalsdiagram:

Hangzhou Lvran Environmental Protection Group Co., Ltd.

  • 1000+

    Serviceenhetskunder

  • 2000+

    Nationella ingenjörsfall

Hangzhou Lvran Environmental Protection Group Co., Ltd. är en omfattande teknisk tjänsteleverantör och tillverkare av utrustning för avfallsgasbehandlingssystem, som integrerar FoU, tekniska tjänster, design, produktion, ingenjörsinstallation och service efter försäljning.

We are China Kemisk skrubber Suppliers and Wholesale Kemisk skrubber Exporter, Company. Gruppen är ett nationellt högteknologiskt företag, ett vetenskaps- och teknikföretag i Zhejiang-provinsen, ett regionalt FoU-center och en AAA-klassad kreditenhet. Den har över 30 bruksmodellpatent, många uppfinningspatent och upphovsrätter för programvara. Gruppen har långvariga tekniska FoU-samarbeten med inhemska universitet och institutioner, inklusive "Environmental Innovation R&D Center" etablerat med Anhui University of Science and Technology och "Plasma Energy and Environmental New Technology R&D Center" utvecklat tillsammans med Zhejiang Sci-Tech University. Koncernen har etablerat en egen FoU- och produktionsbas för djupgående tekniskt samarbete. Koncernen besitter kärnteknologi för VOC-gasbehandling, innehar en nivå 2 allmän entreprenadkvalifikation för byggande av kommunala offentliga arbeten, en säkerhetsproduktionslicens, en klass B specialdesignkvalifikation för miljöföroreningskontroll i Zhejiang-provinsen, oklassificerade kvalifikationer för arbetskraftstjänster och specialiserad entreprenad för speciella projekt. Koncernen är certifierad enligt ISO9001 för internationell kvalitet, ISO14001 för miljöledning och ISO45001 för hälsa och säkerhet på arbetsplatsen.

HEDER & CERTIFIKAT

Följande utmärkelser representerar vår briljans. Vi vinner kunder med högkvalitativa produkter och vinner mycket beröm från marknaden och alla samhällsskikt med bra tjänster.

  • En basenhet och reaktor med högt elektriskt fält av platttyp för att förhindra läckage längs ytan
  • En reaktionsanordning för att syntetisera metanol med användning av koldioxid och vatten och en metod för att syntetisera metanol med användning av koldioxid och vatten
  • Självrengörande elektrostatisk filter
  • En korrosionsbeständig högtrycksfläkt med vindriktningsjusteringsfunktion
  • En justerbar självrengörande fläkt med hög kapacitet
  • Kombinerat styrsystem för katalytisk förgasning av avgasförbehandling
  • Ångrening kontinuerligt elektrostatiskt fält avgasrening och behandlingssystem
  • Lågtemperatur plasma UV fotolys avgasreningsutrustning system
  • Varumärkesregistreringsbevis
Nyligen nyheter och evenemang
Dela med dig
Se fler nyheter