Grossist PPH slingrande spraytorn

  • PPH slingrande spraytorn
  • PPH slingrande spraytorn
  • PPH slingrande spraytorn
  • PPH slingrande spraytorn
  • PPH slingrande spraytorn
  • PPH slingrande spraytorn
  • PPH slingrande spraytorn
  • PPH slingrande spraytorn
  • PPH slingrande spraytorn

PPH slingrande spraytorn

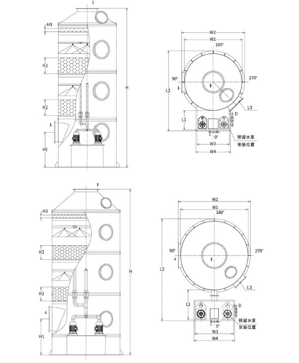
PPH spirallindade spraytorn är en vanlig utrustning för behandling av avfallsgaser av våt typ. Dess kärnfunktionsprincip är följande:

I. Arbetsprocess
1. Avfallsgasintag: Sur (alkalisk) avfallsgas förs in i tornets bas via en fläkt genom en luftkanal.
2. Gas-vätskemotströmskontakt: Avgasen strömmar uppåt genom packningsskiktet, där den kommer i kontakt med absorbenten (som alkali eller syra) som sprutas från toppen av tornet.
3. Absorption och neutralisering: Skadliga komponenter i avfallsgasen (såsom HCl, NH₃, SO₂, etc.) genomgår fysisk absorption eller kemiska reaktioner med absorbenten, tar bort dem eller omvandlar dem till ofarliga ämnen.
4. Avfuktning och uttorkning: Den renade gasen passerar genom ett avimningsskikt (såsom en avfuktare av trådnät eller baffel) på toppen av tornet för att avlägsna fukt innan den släpps ut i atmosfären av en fläkt.
5. Vätskecirkulation: Absorbenten samlas i en cirkulerande vätskepool i botten av tornet. Det trycksätts av en vattenpump och sprutas sedan igen från toppen av tornet, och cirkulerar för användning tills de aktiva ingredienserna är utarmade och ersatta.

II. Strukturella komponenter
- Tornkropp: Tillverkat av PPH (modifierad polypropen) material, detta svetsfria, korrosionsbeständiga torn i ett stycke är lämpligt för sura och alkaliska miljöer.
- Förpackningslager: PP-kulringar och Raschig-ringar används ofta för att öka ytan, förlänga kontakttiden för gas och vätska och förbättra reningseffektiviteten.
- Spraysystem: Består av munstycken, rör och en vattenpump, munstyckena sprejar den absorberande vätskan jämnt och bildar en vätskefilm som täcker packningsytan.
Avimningslager: Förhindrar vattenöverföring och säkerställer torr utloppsgas.

III. Tekniska funktioner
- Hög reningseffektivitet: Över 95 % kan uppnås.
- Korrosionsbeständighet och lätt: PPH-materialet är syra- och alkalibeständigt, åldersbeständigt och lämpligt för tuffa driftsförhållanden.
- Lågt driftmotstånd: Vindkraften är vanligtvis mellan 200 och 600 Pa, vilket resulterar i utmärkta energibesparingar.
- Enkelt underhåll: Enkel struktur, enkel användning och ett kompakt fotavtryck.

IV. Användningsomfång: Lämplig för rening av olika sura och alkaliska avfallsgaser såsom svavelsyradimma, väteklorid och ammoniak inom industrier som kemi, galvanisering, laboratorier och metallurgi.

Val av kemisk skrubber
Teknisk specifikationstabell för packade sprayscrubbers
För transportbekvämlighet och säkerhet är PP-packade sprayscrubbers kategoriserade i två typer:
Typ 1: Integrerad tankpackad sprayskrubber (torndiameter: Φ1000mm–Φ2200mm)
Typ 2: Sprayskrubber med delad vattentank (torndiameter: Φ2500mm–Φ3500mm)
Luftflödeskapacitet Motsvarande modeller för packade torn:

Modell Luftflödeskapacitet (m³/h) Utrustningsmått Pumpkraft Packningstjocklek Vindhastighet Utrustning Material
LRTL-600 0 - 1500 m³/h Φ600×3000 0,75kw 500*2 1,48m/s PP/304/Q235/FRP
LRTL-800 1501 - 2500 m³/h Φ800×3000 0,75kw 500*2 1,39 m/s PP/304/Q235/FRP
LRTL-1000 2501 - 4000 m³/h Φ1000×5000 1,5kw 500*2 1,42 m/s PP/304/Q235/FRP
LRTL-1200 4001 - 6000 m³/h Φ1200×5000 2,2kw 500*2 1,48m/s PP/304/Q235/FRP
LRTL-1500 6001 - 9500 m³/h Φ1500×5000 3,75kw 500*2 1,5 m/s PP/304/Q235/FRP
LRTL-1800 9501 - 14000m³/h Φ1800×5000 5,5kw 500*2 1,53 m/s PP/304/Q235/FRP
LRTL-2000 14 001 - 17 000 m³/h Φ2000×6000 5,5kw 500*2 1,5 m/s PP/304/Q235/FRP
LRTL-2200 17 001 - 20 000 m³/h Φ2200×6000 7,5kw 500*2 1,46 m/s PP/304/Q235/FRP
LRTL-2500 20001 - 27000 m³/h Φ2500×6000 7,5kw 500*2 1,53 m/s PP/304/Q235/FRP
LRTL-2800 27 001 - 33 000 m³/h Φ2800×6000 15kw 500*2 1,49 m/s PP/304/Q235/FRP
LRTL-3000 33001 - 38000m³/h Φ3000×6800 15kw 500*2 1,49 m/s PP/304/Q235/FRP
LRTL-3200 38001 - 44000m³/h Φ3200×6800 15kw 500*2 1,52 m/s PP/304/Q235/FRP
LRTL-3500 44001 - 55000m³/h Φ3500×6800 15kw 500*2 1,5 m/s PP/304/Q235/FRP

Obs: Anpassade mönster kan tillhandahållas på kundens begäran.

Urvalsdiagram:

Hangzhou Lvran Environmental Protection Group Co., Ltd.

  • 1000+

    Serviceenhetskunder

  • 2000+

    Nationella ingenjörsfall

Hangzhou Lvran Environmental Protection Group Co., Ltd. är en omfattande teknisk tjänsteleverantör och tillverkare av utrustning för avfallsgasbehandlingssystem, som integrerar FoU, tekniska tjänster, design, produktion, ingenjörsinstallation och service efter försäljning.

We are China PPH slingrande spraytorn Suppliers and Wholesale PPH slingrande spraytorn Exporter, Company. Gruppen är ett nationellt högteknologiskt företag, ett vetenskaps- och teknikföretag i Zhejiang-provinsen, ett regionalt FoU-center och en AAA-klassad kreditenhet. Den har över 30 bruksmodellpatent, många uppfinningspatent och upphovsrätter för programvara. Gruppen har långvariga tekniska FoU-samarbeten med inhemska universitet och institutioner, inklusive "Environmental Innovation R&D Center" etablerat med Anhui University of Science and Technology och "Plasma Energy and Environmental New Technology R&D Center" utvecklat tillsammans med Zhejiang Sci-Tech University. Koncernen har etablerat en egen FoU- och produktionsbas för djupgående tekniskt samarbete. Koncernen besitter kärnteknologi för VOC-gasbehandling, innehar en nivå 2 allmän entreprenadkvalifikation för byggande av kommunala offentliga arbeten, en säkerhetsproduktionslicens, en klass B specialdesignkvalifikation för miljöföroreningskontroll i Zhejiang-provinsen, oklassificerade kvalifikationer för arbetskraftstjänster och specialiserad entreprenad för speciella projekt. Koncernen är certifierad enligt ISO9001 för internationell kvalitet, ISO14001 för miljöledning och ISO45001 för hälsa och säkerhet på arbetsplatsen.

HEDER & CERTIFIKAT

Följande utmärkelser representerar vår briljans. Vi vinner kunder med högkvalitativa produkter och vinner mycket beröm från marknaden och alla samhällsskikt med bra tjänster.

  • En basenhet och reaktor med högt elektriskt fält av platttyp för att förhindra läckage längs ytan
  • En reaktionsanordning för att syntetisera metanol med användning av koldioxid och vatten och en metod för att syntetisera metanol med användning av koldioxid och vatten
  • Självrengörande elektrostatisk filter
  • En korrosionsbeständig högtrycksfläkt med vindriktningsjusteringsfunktion
  • En justerbar självrengörande fläkt med hög kapacitet
  • Kombinerat styrsystem för katalytisk förgasning av avgasförbehandling
  • Ångrening kontinuerligt elektrostatiskt fält avgasrening och behandlingssystem
  • Lågtemperatur plasma UV fotolys avgasreningsutrustning system
  • Varumärkesregistreringsbevis
Nyligen nyheter och evenemang
Dela med dig
Se fler nyheter